3 Produtos
Analisadores de rede de painel
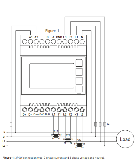
Os analisadores de rede de painel da oferta do Pelek.pt são essenciais para monitorar e analisar redes elétricas em aplicações industriais. Nossos analisadores vêm de renomados fabricantes turcos e fornecem informações precisas e detalhadas sobre o estado da rede elétrica, permitindo a otimização do desempenho e a minimização do risco de falhas ou interrupções. Oferecemos uma ampla gama de analisadores de rede de painel com diversas funções e opções que atendem às necessidades específicas dos seus projetos. O Pelek.pt fornece produtos de alta qualidade com entrega rápida e suporte técnico especializado.
Filtrar produtos
- Tecnologia de medição para quadros de distribuição
- Interruptores / Comutadores de Came
- Climatização e ventilação de quadros elétricos
- Fontes de luz
- Dispositivos de Sinalização Óptica e Acústica
- Caixas de plástico vazias
- Bornes
- Componentes para compensação
- Reguladores de temperatura e sensores
- Transformadores de corrente
- Relés de tempo
- Regulador de nível
- Conversores de protocolo
- Relés de controle
- Aspiradores / ventiladores
- Tomadas, plugues e cabos de extensão
O preço mais alto é €221,40
€
€
