Relé de sobrecorrente digital com display LED de 3×3 dígitos TRM-300
Falha ao carregar a disponibilidade de retirada
|
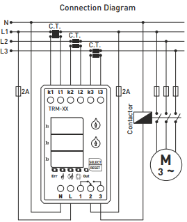
Relé de corrente trifásico para controlo/limitação da corrente de carga na gama 190-300 A, fabricante TENSE (Turquia) Os relés digitais de sobrecorrente TRM-300 foram concebidos para proteger as cargas contra danos causados por correntes elevadas, permitindo simultaneamente a monitorização do funcionamento. - 190-300 A (valor de sobrecorrente ajustável) Utilização do dispositivo e princípio de funcionamento
Quando o aparelho é ligado: O relé eletrónico de corrente da série TRM-300 foi concebido para desligar automaticamente os aparelhos quando a corrente máxima admissível é ultrapassada. Modos de reposição: - Modo manual: Após um defeito de sobreintensidade, o dispositivo tem de ser reposto premindo o botão Reset. Nota: Para mudar de modo, mantenha premido o botão SELECT durante 10 segundos. Quando o modo é alterado, a luz LED correspondente acende-se. Assimetria 50% (fixo) Se a diferença entre a maior e a menor corrente de fase exceder 50%, o dispositivo entrará no modo de erro de assimetria no espaço de 2 segundos. Quando ocorre um erro de assimetria: Parâmetros técnicos: - Tensão de funcionamento: 150-260 V AC
Nota: Os modelos TRM-50, TRM-100, TRM-200 e TRM-300 só podem ser utilizados com os transformadores de corrente fornecidos com o dispositivo. O TRM-400 pode ser utilizado com um transformador de corrente 400/5.
Básico
|
Pagamento online com cartão – após concluir a encomenda, será redirecionado para a página de pagamento; a confirmação do pagamento será enviada para o seu e‑mail.
Pagamento contra entrega (à cobrança) – o pagamento, de acordo com os termos estabelecidos, é efetuado ao estafeta da transportadora.
Transferência bancária – no prazo máximo de um dia útil, receberá por e‑mail uma fatura pró-forma, onde encontrará o número de conta que deverá indicar ao efetuar o pagamento.
Pagamento por fatura – esta forma de pagamento está disponível para parceiros que tenham celebrado um contrato‑quadro com a nossa empresa.
Se pretender utilizar um dos dois últimos métodos de pagamento, contacte o nosso gestor, que lhe dará instruções sobre como obter uma fatura com ou sem IVA.
Os equipamentos elétricos que fornecemos cumprem elevados padrões de qualidade, têm uma garantia de 24 meses e respeitam todos os requisitos da UE.
Em caso de reclamação, não é aplicada qualquer taxa de devolução do produto.
