Relé de tempo cíclico + relé ON-DELAY Visor LED para montagem em painel/porta 230VAC
Falha ao carregar a disponibilidade de retirada
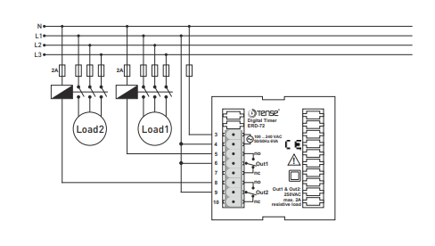
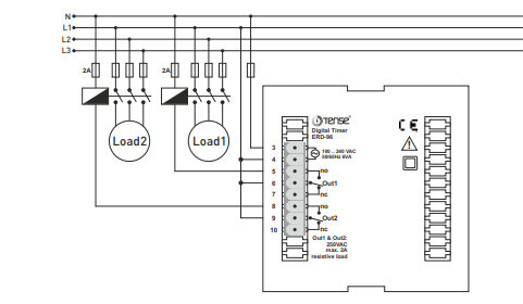
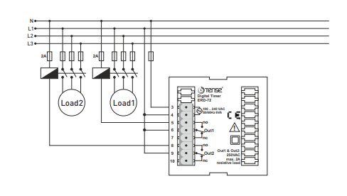
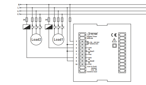
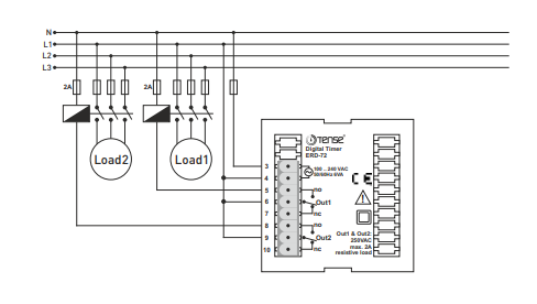
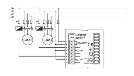
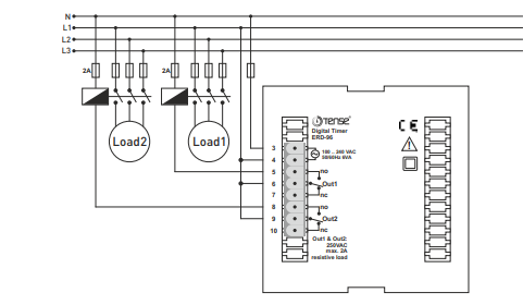
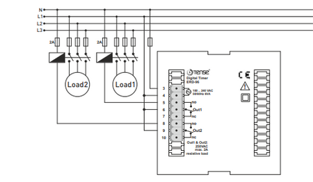
Relé cíclico temporizado + relé ON-DELAY Display LED para montagem em painel/porta 230VAC - Pisca no início do impulso , Pisca no início da pausa relé cíclico, interrutor horário com atraso. TENSO ERD-96 ERD-48, ERD-72
Relé de tempo com duas funções - uma função de atraso na ligação e uma função de relé cíclico.
Faixa de ajuste de tempo:
99,9 segundos, 999 segundos, 99,9 minutos ou 999 minutos (painel frontal opcional)
Pagamento online com cartão – após concluir a encomenda, será redirecionado para a página de pagamento; a confirmação do pagamento será enviada para o seu e‑mail.
Pagamento contra entrega (à cobrança) – o pagamento, de acordo com os termos estabelecidos, é efetuado ao estafeta da transportadora.
Transferência bancária – no prazo máximo de um dia útil, receberá por e‑mail uma fatura pró-forma, onde encontrará o número de conta que deverá indicar ao efetuar o pagamento.
Pagamento por fatura – esta forma de pagamento está disponível para parceiros que tenham celebrado um contrato‑quadro com a nossa empresa.
Se pretender utilizar um dos dois últimos métodos de pagamento, contacte o nosso gestor, que lhe dará instruções sobre como obter uma fatura com ou sem IVA.
Os equipamentos elétricos que fornecemos cumprem elevados padrões de qualidade, têm uma garantia de 24 meses e respeitam todos os requisitos da UE.
Em caso de reclamação, não é aplicada qualquer taxa de devolução do produto.
