Relé de monitorização/proteção trifásico para sobretensão, subtensão, controlo de sequência/falha
Falha ao carregar a disponibilidade de retirada
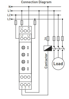
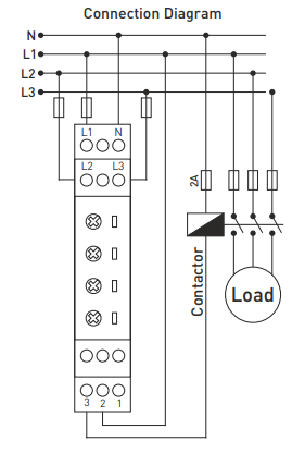
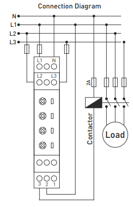
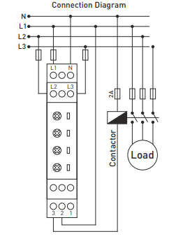
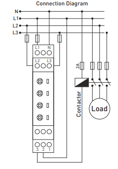
Relé de controlo - relé trifásico de vigilância/proteção para controlo de sobretensão, subtensão, marreta, falha de fase com temporizador. GKM-12/12F (TENSÃO)
Os relés de proteção de fase são concebidos para proteger cargas trifásicas de danos causados pela tensão da linha.
- Tensão: 230V - 300V AC (ajustável)
- Subtensão: 140V - 210V AC (ajustável)
-
Temporizador: 0,1 s - 20 s (ajustável)
-
Proteção contra falhas de fase
- Controlo de sequência de fases (GKM-12F)
-
Montagem em calha DIN
-
Largura 17,8 mm
Pagamento online com cartão – após concluir a encomenda, será redirecionado para a página de pagamento; a confirmação do pagamento será enviada para o seu e‑mail.
Pagamento contra entrega (à cobrança) – o pagamento, de acordo com os termos estabelecidos, é efetuado ao estafeta da transportadora.
Transferência bancária – no prazo máximo de um dia útil, receberá por e‑mail uma fatura pró-forma, onde encontrará o número de conta que deverá indicar ao efetuar o pagamento.
Pagamento por fatura – esta forma de pagamento está disponível para parceiros que tenham celebrado um contrato‑quadro com a nossa empresa.
Se pretender utilizar um dos dois últimos métodos de pagamento, contacte o nosso gestor, que lhe dará instruções sobre como obter uma fatura com ou sem IVA.
Os equipamentos elétricos que fornecemos cumprem elevados padrões de qualidade, têm uma garantia de 24 meses e respeitam todos os requisitos da UE.
Em caso de reclamação, não é aplicada qualquer taxa de devolução do produto.
